
FULFLO FILTRO ALTA TEMP. HOT-OIL
Filtro alta temperatura para aplicaciones de transferencia térmica (Hot-Oil)

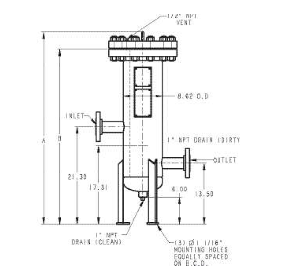
Los filtros multicartucho Fulflo, aseguran una operación confiable y un rápido cambio de elementos filtrantes para reducir costos de mantenimiento. Estos filtros pueden ser equipados con elementos de diversos medios filtrantes.
- Los filtros multicartucho Fulflo para alta temperatura, aseguran una operación confiable.
- Pueden ser equipados con elementos de diversos medios filtrantes
- Aptos para filtración de líquidos y gases.
- Temperatura maxima 343°C
- Junta espiralada en SS 304
- Fabricados en acero al carbono
- Tapa de brida ciega
- Caudal maximo hasta 360 lpm
Aplicaciones:
Alta temperatura líquidos y gases
Fluidos de transferencia térmica
Filtración sistemas de Hot-Oil




